Approfondimenti
- La pila elettrica
- I superconduttori
- Diodi e transistor
- Il tubo a raggi catodici
Il tubo a raggi catodici
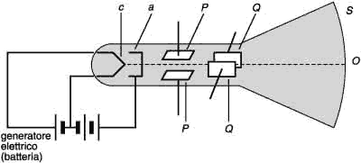
I raggi catodici consistono in un flusso di elettroni emessi da un catodo e accelerati da un anodo. In un tubo a raggi catodici gli elettroni sono emessi da un filamento (v. fig.) riscaldato dalla corrente generata per esempio da una batteria: se la temperatura è abbastanza elevata, alcuni elettroni acquistano l'energia sufficiente ad allontanarsi dal metallo (effetto termoelettrico). Questi elettroni vengono accelerati dalla differenza di potenziale esistente tra l'anodo e il catodo. Attraverso un minuscolo foro praticato nell'anodo, un piccolo fascio di elettroni colpisce uno schermo, ricoperto per esempio da un sottilissimo strato di fluoruro di zinco, che causa una forte fluorescenza nel punto colpito. Se si applica una differenza di potenziale a due placche poste lungo un asse verticale lungo il cammino del fascio di elettroni, il fascio viene deviato e il punto luminoso sullo schermo si sposta verticalmente. Una differenza di potenziale applicata a due placche posizionate lungo l'asse verticale del fascio causa invece uno spostamento del punto luminoso in senso orizzontale. Applicando contemporaneamente differenze di potenziale alle due coppie di placche, il punto luminoso può essere spostato istantaneamente in qualunque punto dello schermo. Il tubo catodico viene usato per la formazione di immagini in alcuni strumenti di misura, come l'oscilloscopio, o negli apparecchi televisivi.
Formazione dell'immagine sullo schermo S in un tubo a raggi catodici. L'anodo e il catodo sono rispettivamente a e c. Agendo sulle placche P e Q il punto luminoso O può essere spostato a piacere in qualunque punto dello schermo per produrre un'immagine.